*** tpb has joined #tomu | 00:00 | |
*** rohitksingh has quit IRC | 00:58 | |
*** rohitksingh has joined #tomu | 01:34 | |
*** emeb has quit IRC | 01:57 | |
*** rohitksingh has quit IRC | 03:22 | |
*** rohitksingh has joined #tomu | 03:27 | |
*** squelch has joined #tomu | 05:24 | |
*** rohitksingh has quit IRC | 05:35 | |
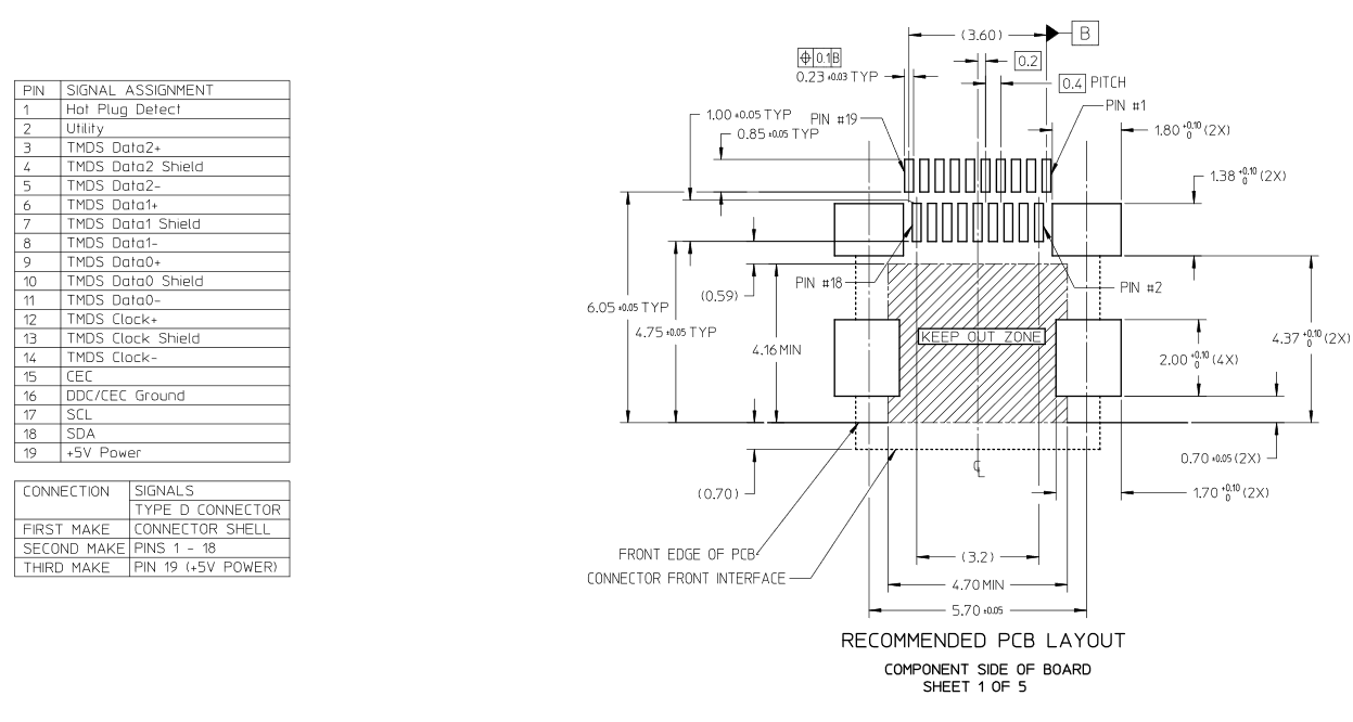
CarlFK | forgive my ignorance - I have attended KiCon, but never used it or anything like it... do the cad files on https://www.digikey.com/product-detail/en/molex/0467651301/WM11255CT-ND/5287247 | 07:03 |
---|---|---|
tpb | Title: 0467651301 Molex | Connectors, Interconnects | DigiKey (at www.digikey.com) | 07:03 |
CarlFK | include .. pin labels? so that If I drop 2 on a board, I don't have to work out what pin runs to what pin? | 07:04 |
CarlFK | Im basically making a gender changer | 07:04 |
*** squelch has quit IRC | 07:23 | |
xobs | CarlFK: The "Mfg CAD Models" are more for the 3D view, and are useful for mechanical integration. | 07:32 |
xobs | You want the datasheet -- https://www.molex.com/pdm_docs/sd/467651301_sd.pdf | 07:32 |
xobs | Specifically, page 4 includes the "Recommended PCB Layout", along with the pinout. | 07:33 |
* xobs uploaded an image: image.png (95KB) < https://matrix.org/_matrix/media/r0/download/matrix.org/DzkEMEitxqzoKPghYTrsfhUX > | 07:33 | |
*** rohitksingh has joined #tomu | 07:35 | |
xobs | That's actually one of the better mechanical drawings I've seen. | 07:35 |
CarlFK | oh right, the pinout is what goes on the board layout, not the part. | 07:41 |
CarlFK | that is a pretty image | 07:41 |
CarlFK | oh hell.. now that I look at the labels, I realize what I wanted wont work anyway. .. I wanted it to route Data2+ to Data2+ and that's not gonna do much | 07:43 |
xobs | Data2+ to Data2+? | 08:10 |
*** rohitksingh has quit IRC | 08:16 | |
*** rohitksingh has joined #tomu | 08:28 | |
*** rohitksingh has quit IRC | 08:34 | |
*** im-tomu has left #tomu | 11:46 | |
*** im-tomu has joined #tomu | 11:46 | |
*** W1lkins has quit IRC | 13:16 | |
*** emeb has joined #tomu | 16:25 | |
*** gio has quit IRC | 16:59 | |
*** gio has joined #tomu | 17:52 | |
*** gio has quit IRC | 18:32 | |
*** gio has joined #tomu | 18:40 | |
*** rohitksingh has joined #tomu | 19:49 | |
*** gio has quit IRC | 20:44 | |
*** gio has joined #tomu | 20:49 | |
*** gio has quit IRC | 21:02 | |
*** gio has joined #tomu | 21:05 | |
*** thaytan has quit IRC | 22:44 | |
*** thaytan has joined #tomu | 22:45 | |
*** gio has quit IRC | 23:08 | |
*** gio has joined #tomu | 23:12 | |
*** Rondom has quit IRC | 23:57 | |
*** Rondom has joined #tomu | 23:57 |
Generated by irclog2html.py 2.13.1 by Marius Gedminas - find it at mg.pov.lt!